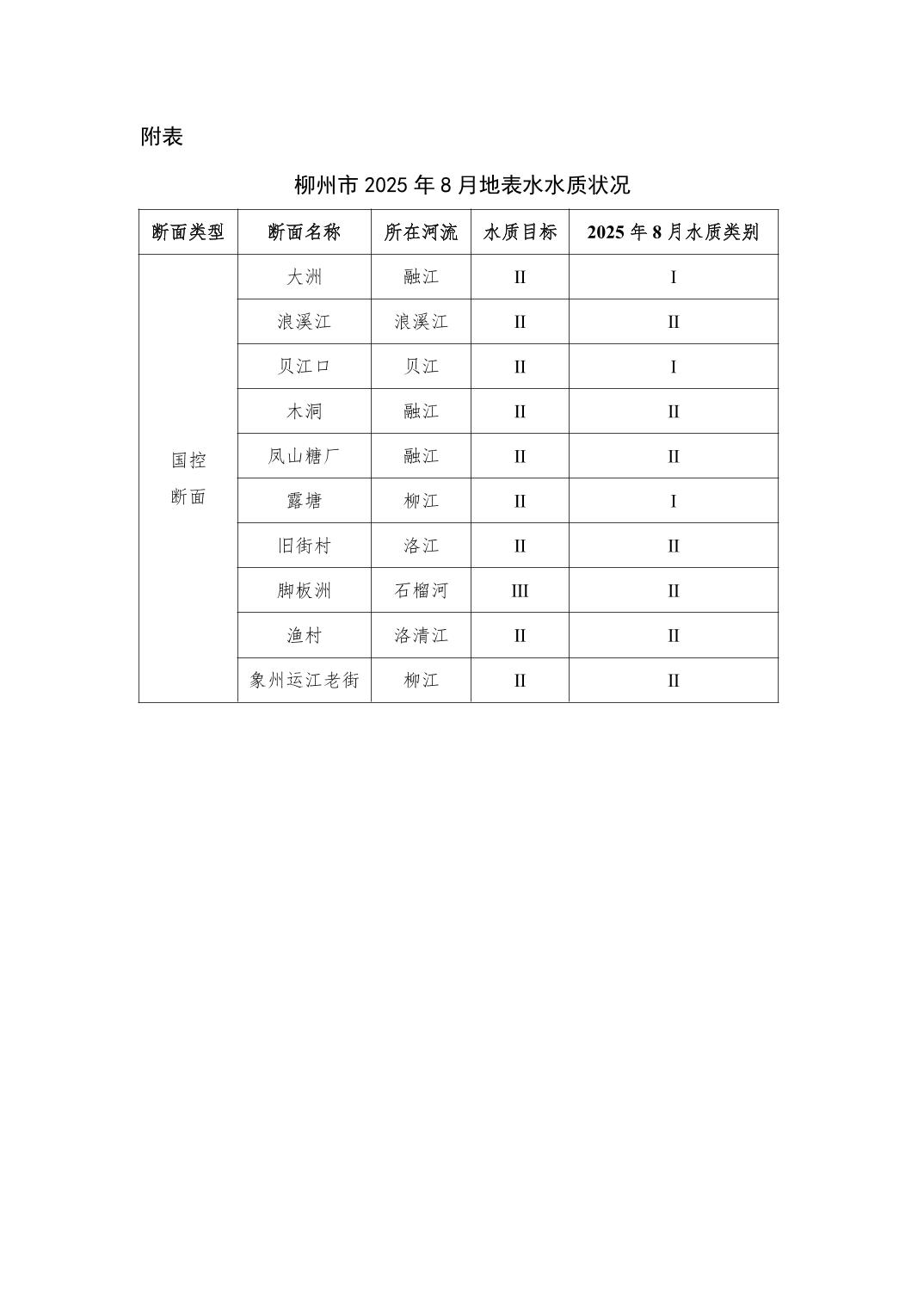
2025年8月柳州市地表水质量报告

2025年8月柳州市地表水质量报告

信息来源:柳州市生态环境局 发布日期:2025-09-09 16:58 【字体:

返回 水环境质量监测

首页

走进柳州

信息公开

办事服务

互动回应

数据专题

2025年8月柳州市地表水质量报告

信息来源:柳州市生态环境局

发布日期: 2025-09-09 16:58

分享至:
×
×